金数据

走进金数据

JSOM-N8MC

JSOM-N8MC

JSOM-N8MC

SMARC核心模块

基于工规级 NXP i.MX 8M Mini SoC设计,支持宽温 -40~85℃ 应用环境,适配 Android/Linux 等多种操作系统,是低功耗嵌入式应用的最优选择。

ARM平台 SMARC 2.1.1标准核心模块
基于工规级 NXP i.MX 8M Mini SoC设计
4x Cortex-A53 + 1x Cortex-M4 + GC NanoUltra 3D GPU
板载 2/4GB LPDDR4 + 16/32/64GB eMMC 5.1
显示:1x MIPI-DSI / 双通道LVDS 可选
I/O:1x GbE、1x PCIe、5x USB、4x UART
可选板载 WiFi+BT 模块
DC 5V,支持 3.6~5.25V 锂电池供电
支持宽温 -40~85℃ 应用环境
规格参数

CPU

NXP i.MX 8M Mini

4x Arm Cortex-A53, 最大主频 1.8GHz (常温) / 1.6GHz (宽温)

1x Arm Cortex-M4 实时性协处理器, 最大主频 400MHz

NPU

-

GPU

Vivante GC NanoUltra, 支持 OpenGL ES 2.0, OpenVG 1.1

硬件编解码

支持 H.265/H.264/VP9/VP8 视频解码最高1080p60支持 H.264/VP8 视频编码最高1080p60

内存

板载 2GB/4GB LPDDR4

存储

板载 16GB/32GB/64GB eMMC 5.1 for OS

板载 32MB QSPI NOR Flash for 主板信息

以太网

1x 10/100/1000 Mbps

显示

1x 4-lane MIPI-DSI / 双通道LVDS 可选

摄像头

1x 4-lane MIPI-CSI

音频

2x I2S 用于音频输入输出

PCIe

1x PCIe 2.0 1-lane

SATA

-

USB

4x USB 2.0 Host, 1x USB 2.0 OTG/Host

串口

2x 4-wire UART, 2x 2-wire UART for debug

其他 I/O

1x SDIO (4 bit, for SD cards), 2x SPI, 4x I2C, 14x GPIO

扩展功能

支持独立看门狗定时开关机

可选板载 WiFi 模块

电源

DC 5V, 支持 3.6~5.25V 锂电池供电

规范/尺寸

SMARC 2.1.1 314-pin MXM 金手指, 82mm x 50mm

操作系统

Yocto 3.5 Linux, Ubuntu 22.04, Android 11

启动方式

eMMC or SD, 默认 eMMC

工作温度/湿度

-20~70℃/-40~85℃ 可选10%~90% RH 无冷凝

储存温度/湿度

-40~85℃, 5%~90% RH 无冷凝

产品框架图
image.png

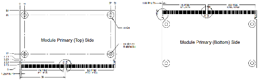
产品尺寸

image.png

产品选型

产品型号

SoC

内存

Flash

WiFi

显示

GbE

PCIe

USB

UART

工作温度

JSOM-N8MC-A6ML2

i.MX 8M Mini

Quad 1.6 GHz

4GB

32GB

Yes

LVDS

1

1

5

4

-20~70℃

JSOM-N8MC-A6MM2

i.MX 8M Mini

Quad 1.6 GHz

4GB

32GB

No

MIPI-DSI

1

1

5

4

-20~70℃


因金数据更智能

金数据智能为您给予量身定制的解决方案,满足从产品定义到软硬件开发的各种需求,会安排资深产品工程师为您服务。

定制咨询
与值得信赖的合作伙伴合作
合作模式
帮您精准快速的计算报价方案
获取报价
产品信息、类型、数据等全方面资料

扫码关注