金数据

JSOM-R88C

JSOM-R88C
JSOM-R88C

JSOM-R88C

JSOM-R88C

JSOM-R88C

SMARC核心模块

基于瑞芯微工规级 RK3588J SoC设计,支持宽温 -40~85℃ 应用环境,适配 Android/Linux 等多种操作系统,为您给予行业领先的高性能边缘AI解决方案。

ARM平台 SMARC 2.1.1标准核心模块
基于瑞芯微工规级 RK3588J SoC设计
4x Cortex-A76 + 4x Cortex-A55 + 6 TOPS NPU
板载 4/8GB LPDDR4X + 32/64/128GB eMMC 5.1
多媒体:1x HDMI、1x DP、1x eDP、1x MIPI-DSI、2x MIPI-CSI
I/O:1x GbE、3x PCIe、1x SATA、4x USB、4x UART、2x CAN
DC 5V,支持 3.6~5.25V 锂电池供电
支持宽温 -40~85℃ 应用环境
规格参数

CPU

Rockchip RK3588J/RK3588 八核64位处理器

Quad core Arm Cortex-A76, 最大主频 2.2-2.4GHz (常温) / 1.6-2.0GHz (宽温)

Quad core Arm Cortex-A55, 最大主频 1.8GHz (常温) / 1.3-1.7GHz (宽温)

NPU

6 TOPS Neural Network performance

GPU

Arm Mali-G610 MP4, 支持 OpenGL ES 1.1/2.0/3.2, OpenCL 2.2, Vulkan 1.2

硬件编解码

支持 H.265/H.264/VP9/AV1/AVS2 视频解码, 最高8K60支持 H.265/H.264 视频编码, 最高8K30

内存

板载 4GB/8GB/16GB LPDDR4X

存储

板载 32GB/64GB/128GB eMMC 5.1 for OS

以太网

1x 10/100/1000 Mbps

显示

1x HDMI 2.1, 支持 4K60 输出

1x DP 1.4, 支持 4K60 输出

1x 4-lane eDP 1.3

1x 4-lane MIPI-DSI

支持三屏异显或四屏同显多种显示组合

摄像头

1x 4-lane MIPI-CSI, 1x 2-lane MIPI-CSI

支持 48MP ISP with HDR&3DNR

音频

2x I2S 用于音频输入输出

PCIe

1x PCIe 3.0 2-lane, 1x PCIe 3.0 1-lane, 1x PCIe 2.0 1-lane

SATA

1x SATA 3.0

USB

2x USB 3.0 Host, 1x USB 2.0 Host, 1x USB 2.0 OTG/Host

串口

2x 4-wire UART, 2x 2-wire UART (其中一个用于调试)

其他 I/O

1x SDIO (4 bit, for SD cards), 2x CAN FD, 2x SPI, 5x I2C, 14x GPIO

扩展功能

支持独立看门狗定时开关机

电源

DC 5V, 支持 3.6~5.25V 锂电池供电

规范/尺寸

SMARC 2.1.1 314-pin MXM 金手指, 82mm x 65mm

操作系统

Debian 11, Ubuntu 20.04, Android 12

启动方式

eMMC or SD, 默认 eMMC

工作温度/湿度

0~60℃/-20~70℃/-40~85℃ 可选10%~90% RH 无冷凝

储存温度/湿度

-40~85℃, 5%~90% RH 无冷凝

产品框架图
image.png

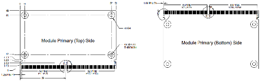
产品尺寸

image.png

产品选型

产品型号

SoC

内存

Flash

GbE

PCIe

SATA

USB

UART

CAN

工作温度

JSOM-R88C-A8MM1

RK3588J

8GB

64GB

1

3

1

4

4

2

-40~85℃

JSOM-R88C-A8ML1

RK3588J

8GB

32GB

1

3

1

4

4

2

-40~85℃

JSOM-R88C-B8MH1

RK3588

8GB

128GB

1

3

1

4

4

2

0~60℃

JSOM-R88C-B8ML1

RK3588

8GB

32GB

1

3

1

4

4

2

0~60℃




因金数据更智能

金数据智能为您给予量身定制的解决方案,满足从产品定义到软硬件开发的各种需求,会安排资深产品工程师为您服务。

定制咨询
与值得信赖的合作伙伴合作
合作模式
帮您精准快速的计算报价方案
获取报价
产品信息、类型、数据等全方面资料

扫码关注